NINGBO NPPC MACHINERY CO., LTD

Company introductionGroup technologyProduct testingEnterprise certificate2016-2017 turkey win fair2016-2018 PTC fair2017 xiamen fair2019 hannover fair germanyteam buildingNews centerSales networkADVUCQ2BCXSMFDCFSCFSIMGPMMSNSCSDASTMBTNPneumatic CylinderACAFCBFCFRCAir source treatment unitL2 series steam solenoid valvesNAC-A-H electronic drain valveNP223 solenoid valveNP504 two - way solenoid valvePA Angle seat valveQA2 pneumatic valveU20 two - way solenoid valveU25 two - way solenoid valveW2 S2 series two - way direct - acting solenoid vaX2120 direct-acting solenoid valveMCF fluid solenoid valveFluid solenoid valve4F FV series foot valve4HV HV K series hand rotary valvesSeries 95 solenoid valves2625483BH45-12Pneumatic valve of CACM (Namur) series solenoid valvesCMN convertible solenoid valve 310 bodyCR series hand pull valvesCV2 series two way valveCVH series solenoid valvesCV series solenoid valvesJM MOV series mechanical valvesKA ST HSV series mechanical valvesMSV series mechanical valvesND series direct - acting solenoid valvesNE series direct - acting miniature solenoid valveNF direct acting miniature solenoid valveNPC220-06 gate valveNVSC series solenoid valvesRE ASC QE XQ series mechanical valvesTV solenoid valveUV series solenoid valveCMC reversing solenoid valveSSM reversing solenoid valveDirectional valveATPA angle seat valveProcess control valve and accessoriesmufflerHVFFHVSFPBPCPCFPDPHPKPLPLFPLJPLLPLMPMPMFPOCPUPULPUTPYPZASASCThe tracheaPneumatic accessoriesStainless steel FRLStainless steel solenoid valveEx-proof solenoid valveNPPC brand gauges rangeNPPC BRAND PTO dump valves rangesStainless steel mechanical valve
Service hotline

Main products: cylinder, air source treatment unit,directional valve, solenoid valve, pneumatic accessories......

0086-18969886157
Product Detail
Share to:

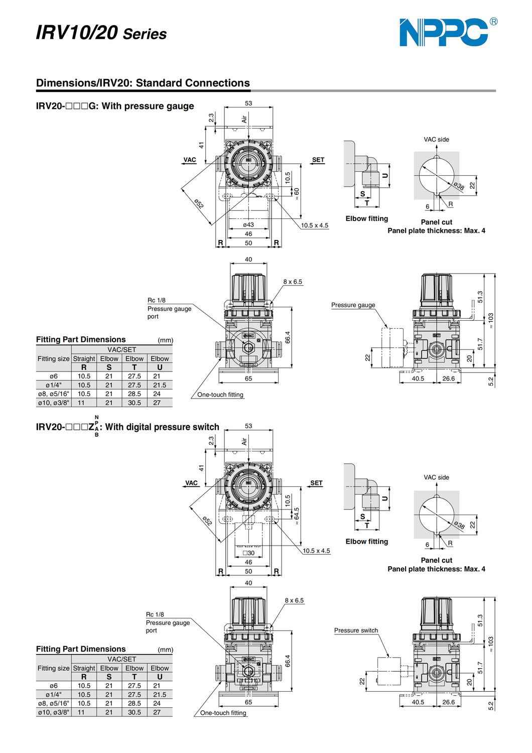
IRV10/20 Series Vacuum Regulator

Brand: NPPC
Material: plastic
产品详情

1.jpg2.jpg3.jpg4.jpg5.jpg6.jpg7.jpg8.jpg9.jpg下载按钮.jpg